自作led点灯回路
Usb ledライト 自作 回路
Usb ledライト 自作 回路-



Led照明の製作



自作led点灯回路



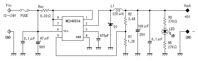
あらら 回路図



ラジオペンチ Ledライトの調光回路



12 Ledを点滅させる 電子工作やってみる



すぐ使える パワーled用の定電流回路を自作するならこのモデル 実用編



100円ショップのledランプの基板を眺めてみた Kicadで基板を作る



自作led照明 Roomx Blog



熱の実験室 新館 第42回 マイコンを使ってデジタル温度計 温度センサーを作ってみよう



100均ガジェット分解 5 ダイソーの Usbタッチセンサーライト Thousandiy Masawo Yamazaki Note



Ledの使い方 選び方 マルツオンライン



よしおのデムパな日 Usb給電型led点滅弛張発振器の自作



充電用電池boxのledライト改造報告no 1 17 9 7 完成 なにか ヤマネ製作所な日々



ちょっと奥さん 19 5



初心者のled 配線図 抵抗の計算 消費電力 Ledの作り方



自作led点灯回路



寝落ちしても体丈夫 超シンプル回路の勝手に消えるledライトを作りました Kohacraftのblog



ハンドメイドライト作り 電池ケースを設置するスペースがない時にusbケーブルを使用してusbポートからの5vでledを点灯させる Kzi Workshop 電子工芸作品の作り方



自作led点灯回路



100均のusb接続電球型ledライトはアウトドアで使えるのか 夫婦そろって泣き笑い



Led工作 ボタン電池や乾電池で点灯させる方法



機械王の休日 ダイソーの白色cob型ledライトの回路を検証 アリエナイ理科ポータル



あらら 自作usb Ledライト



Koolertron デジタルusb顕微鏡 電子顕微鏡 7インチlcdモニター搭載デジタル顕微鏡 8g Tfカード付き 12mp 充電式バッテリー 8 回路基板修理など用マイクロスコープ スーパーsale セール期間限定 Ledライト 1 10x倍率 ハンドヘルドカメラビデオレコーダー



Ledソーラーライトの中身



100均ガジェット分解 5 ダイソーの Usbタッチセンサーライト Thousandiy Masawo Yamazaki Note



100均の電球型ledライトをアウトドア用にdiyで改造しよう 夫婦そろって泣き笑い



不良品 5ledスタンドusb電源タイプ 注意 自作 改造 修理の館 新館



ダイソーledマグネットスイッチライト回路図 還暦くりやん旅に出る



楽天市場 Ledデスクライト回路設計セット 理科 工作 小学生 子供 宿題 自由研究 クリスマスプレゼント ルーペスタジオ



自作led点灯回路



ソーラー充電式ledライトの改造 解析まもログ



Usb Ledライトを自作する方法 5050 Smdチップledを使った作り方 2 3



第2回 自転車のヘッドライトにledを組み込む 日経クロステック Xtech



ちょっと奥さん 19 5



100均smdライト 自作 改造 修理の館 新館



初心者のled 配線図 抵抗の計算 消費電力 Ledの作り方



パワーled自作のきほん 普通のledとどう違う



Wd1ajimv0ch5rm



便利なledライトの製作 ぎんなんガレージ E゚ ʅ ౪ ʃ 1n60 Net



Led Style4 高演色ルームランプ自作キット Led Paradise エルパラ



100円ledライトを改造する Jumbleat



自作led点灯回路



自作led点灯回路



2



カットしたledテープライトを再利用する方法 配線付け直し加工



ラジオペンチ Arduinoで作るledストロボスコープ ハード ソフト解説編



リモートusbセレクタ Usb切替器部に必要なもの 製作方法 がくの鉄道模型工作



Usbミニcobライト 自作 改造 修理の館 新館



Usb Ledライト調光器



100均ガジェット分解 1 ダイソーの 108円led電球 Thousandiy Masawo Yamazaki Note



はじめての電子工作 Ledを光らせる Lピカ 電子工作 超 入門 Lab



Led照明の製作



自作led点灯回路



カインズホーム198円 タッチライト をusb充電式に改造 最近買ったもの



ダイソーのusb電球型ledライトを無段階調光できるよう改造してみました 回路屋さんの昼休み Youtube



100均ライト改造報告no 26 ダイソー製ledヘッドライト改 18 8 26完成 なにか ヤマネ製作所な日々



初心者のled 配線図 抵抗の計算 消費電力 Ledの作り方



Usb 2led ライト を改造して パワーled 化してみた パソコン Fxなどに関する日記



Ledライト を自作してみよう 抵抗 と Led の活用方法 持続可能な農業 養殖ビジネス



100円ledライトを改造する Jumbleat



ラズパイでmosfetを使おう



ハンドメイドライト作り 電池ケースを設置するスペースがない時にusbケーブルを使用してusbポートからの5vでledを点灯させる Kzi Workshop 電子工芸作品の作り方



はじめての電気とiot 2 Ledを光らせるのは簡単 電子工作の環境向上



100均のusb接続電球型ledライトはアウトドアで使えるのか 夫婦そろって泣き笑い



Let S Note Cf T4 の 液晶バックライト Led 化 2 百耳人ライフ



Usb Ledライトの作り方 Youtube



100円ledライトを改造する Jumbleat



Usb Ledライトを自作する方法 5050 Smdチップledを使った作り方 1 3



Usb Ledライトを自作する方法 5050 Smdチップledを使った作り方 2 3



100円シガーソケットusb充電器のdc Dcコンバータ回路を改造してled駆動電源にしちゃおう Min Hobby Life 1 65 小さな趣味部屋



Led 100均cobライトにドライバー組込み 改造 自作 改造 修理の館 新館



武蔵野電波のプロトタイパーズ Friskケース内蔵型usbライト用調光モジュールの製作 Pc Watch



Ledの使い方 選び方 マルツオンライン



Ledライト を自作してみよう 抵抗 と Led の活用方法 持続可能な農業 養殖ビジネス



大容量モバイルバッテリーを自作 ベビーワンワンのお部屋



100円ledライトを改造する Jumbleat



Usb Ledライト調光器



調光改 5ledスタンドusb電源タイプ 自作 改造 修理の館 新館



Nexpow ポータブル電源 mah 178wh 家庭用蓄電池 Pse認証済 3way充電 Ac Dc Usb 急速充電qc3 0 Type C Dcシガーソケット6way出力 Ledライト Smart Icとbms保護回路搭載 車中泊 キャンプ 防災グッズ Ice Org Br



Amazon Usb Ledライト タッチスイッチ式無段階調光 両面usb接続6ledライト 電球色5枚セット Vastray Usbライト 通販



Ledバーライトの特価品 と桜 風変わりなpc物語 スズメさんち



Ledデスクライトを改造しながら オームの法則 とledを光らせる方法の解説をしてみる Culo Mod Studio



100円ledライトを改造する Jumbleat



usb ledライト作成1 試行錯誤の毎日



100円ledライトを改造する Jumbleat



実用的なledライト改造 ヤマネ製作所な日々



100均usb電球型ライトを買ってきた Make Oldcyclist Com



遊ぶ大人の非常識 By きのこ組 Ssブログ



Ledライトを改造や自作するなら抵抗はセット 百均の真似は危険



100均の電球型ledライトをアウトドア用にdiyで改造しよう 夫婦そろって泣き笑い



100円ledライトを改造する Jumbleat



usb ledライト作成1 試行錯誤の毎日



Ledデスクライトを改造しながら オームの法則 とledを光らせる方法の解説をしてみる Culo Mod Studio



Ledの使い方 選び方 マルツオンライン



ムードライト イルミライト Usb Led ライト Usb雰囲気 車内照明 室内夜間ライト 高輝度 軽量 小型 8色 呼吸モード Usblight01 ヘルツ 通販 Yahoo ショッピング



電子工作 携帯型usb電源 太陽光充電式 貧乏リーマンの戯言



Amazon Usb Ledライト タッチスイッチ式無段階調光 両面usb接続6ledライト 電球色5枚セット Vastray Usbライト 通販



武蔵野電波のプロトタイパーズ Friskケース内蔵型usbライト用調光モジュールの製作 Pc Watch



白色ledサークル ライト その1 組み立て 電子工作の環境向上



あらら 自作usb Ledライト


0 件のコメント:
コメントを投稿